ASK 41.4, 80/5A; 1,5VA; 1%

Parametry výrobku:

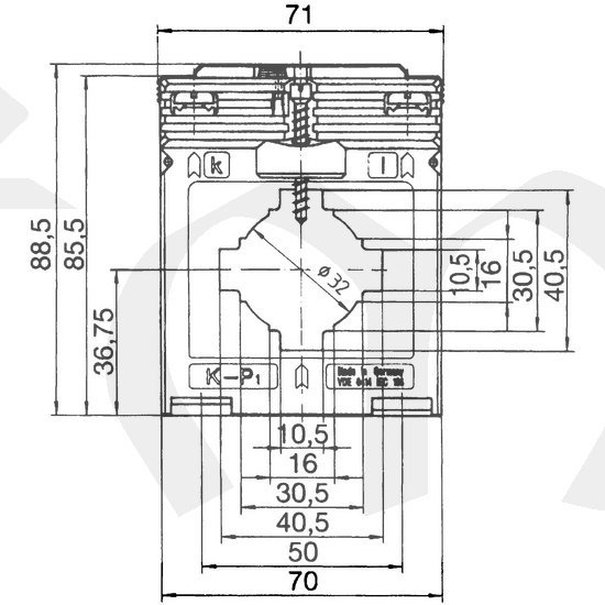
Typ proudového transformátoru ASK 41.4
Primární proud trafa 80 A
Jedna pásovina 40x10 mm
Sekundární proud 5 A
Způsob přípoje, průměr nebo pás 32 mm
Třída přesnosti trafa 1 %
Dvě pásoviny 2x30x5 mm
Výkon 1,5 VA
Nadproudové číslo 5
Kód výrobce 13041
Hmotnost trafa 0,45 kg
Odkazy Popis parametrů měřících transformátorů proudu
Nadproudové křivky chyb nízkonapěťových měřících transformátorů proudu a schéma zapojení
Ke stažení: Trafa_EXIMUS_MBS.pdf
Spotreba_vedeni_k_trafu.pdf
Cena: 649 Kč (bez DPH)
Cena: 786 Kč včetně DPH 21 %
Do košíku

Volitelné příslušenství

Id: 2715,