ASK 41.3, 100/5A; 1VA; 1%

Parametry výrobku:

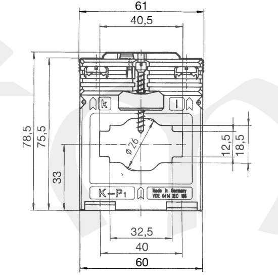
Typ proudového transformátoru ASK 41.3
Primární proud trafa 100 A
Jedna pásovina 40x12 mm
Sekundární proud 5 A
Způsob přípoje, průměr nebo pás 26 mm
Třída přesnosti trafa 1 %
Dvě pásoviny 2x32x5 mm
Výkon 1 VA
Nadproudové číslo 5
Kód výrobce 11037
Hmotnost trafa 0,25 kg
Odkazy Popis parametrů měřících transformátorů proudu
Nadproudové křivky chyb nízkonapěťových měřících transformátorů proudu a schéma zapojení
Ke stažení: Trafa_EXIMUS_MBS.pdf
Spotreba_vedeni_k_trafu.pdf
Cena: 617 Kč (bez DPH)
Cena: 747 Kč včetně DPH 21 %
Do košíku

Volitelné příslušenství

Id: 2578,