Termostat RT8801.01 2sv. 0..+40°C

Regulátor teploty RT8801 (dále jen RT) je určen k regulaci teploty v zařízeních napájených střídavým elektrickým prou­dem, např. olejových radiátorů. RT neslouží jako vypí­nač.!
.01 je osazen rozpínacím kontaktem (2svorky) tzn.při dosažení nastavené teploty rozepne.

 

Popis
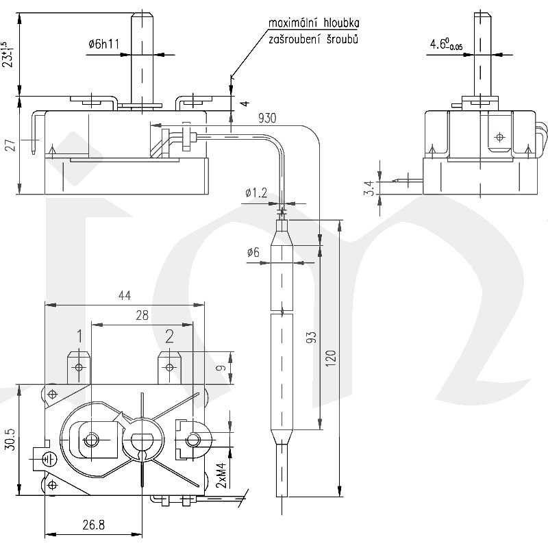
RT je jednopólový kapilární regulátor teploty založe­ný na principu dilatace kapaliny. RT sestává ze dvou základních častí - ze spínacího ústrojí a kapilárního teplotního čidla. Na krytu je ochranný zemnící kolík. Regulovanou teplotu může uživatel nastavit v rozme­zí regulačního rozsahu. Montáž RT se provádí dvěma šrouby M4.

Přednosti
- možnost variabilního umístění a natočení čidla nezávisle na poloze spínacího ústrojí
- možnost montovat spínací ústrojí v libovolné poloze
- možnost ohýbat kapiláru podle podmínek montáže
- systém nemá žádnou vlastní spotřebu energie
- nízké náklady na provoz a údržbu oproti elektro­nickým systémům

Technické údaje

Regulační rozsah

0 °C až 40 °C

Přesnost nastavení max. rozpínací teploty

±2 °C

Diference spínací hodnoty

1-3 K

Jmenovitý proud

16 (2,6) A

Jmenovité napětí

240 V st.

Meze teploty spínacího ústrojí

0 °C - 150 °C

Max.teplota čidla

50 °C

Krytí

IP 00, RT je vestavný

Třída ochrany

I

Životnost

100 000 automatických cyklů

Délka kapiláry

1 000 mm

Min.poloměr ohybu kapiláry

Rmin = 5 mm

Připojovací svorky

ploché kolíky 6,3x0,8mm dle ČSNEN61210

Výrobek je certifikován VDE.

Přehled typového označení

Typ

Regulační rozsah teplot [°C]

Provedení
(rozp./přep.)

Počet svorek

Provedení
(rovné/úhlové)

Zemnící kolík

8801.01

0-40

rozpínací

2

rovné

ano

8801.011

0-40

přepínací

3

rovné

ano

8801.011U

0-40

přepínací

3

úhlové

ano


 

Parametry výrobku:

Regulační rozsah 0..+40 °C
Délka kapiláry [cm], nebo provedení 93
Odkazy Příslušenství - ochranné jímky
Ke stažení: teplomery_termostaty_au.pdf
RT880x._navod.pdf
Cena: 235 Kč (bez DPH)
Cena: 285 Kč včetně DPH 21 %
Do košíku

Volitelné příslušenství

Id: 1531,   ID_Pohoda : 7929,