Produkt byl přidán do košíku.

CCT 41.4 RMS 200A/4..20mA, 24Vdc

Proudový transformátor pro měření stejnosměrných i střídavých primárních proudů v rozsahu 0 až 500 A. Vhodné pro měření nesinusových a zkreslených elektrických sítí nebo jako měřicí převodník pro přímé zapojení do vstupů PLC.

Uchycení transformátoru je možné provést pomocí upevňovacích patek, které jsou součástí dodávky, nebo speciální příchytkou na normalizovanou lištu DIN 35mm.
Pro upevnění primárních vodičů nebo pasů je možno použít rychloupínací příchytku CTB na objednávku.

Obecné vlastnosti:

  • Primární jm. proud: 0...200 A  AC/DC
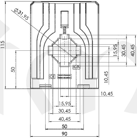
  • Primární vodič průměr: max 31,5 mm
  • Primární pas: 40 x 10 mm
  • Kmitočtový rozsah: DC, resp. AC 20Hz - 6kHz, faktor výkyvu ≤ 4 (crest factor)
  • Proudový výstup: 4...20mA DC, RMS 
  • Max. odpor zátěže proudového výstupu: RB ≤ 500 ohm (UH = 24 V DC)
  • Omezení výstupního signálu při přetížení: < 25mA
  • Přesnost: ± 1%
  • Max. provozní napětí Um: 0,72 kV, Ueff
  • Zkušební izolační napětí: 6,4 kV, Ueff, 50 Hz, 5 sek.
  • Pomocné napětí: 24 V DC, ± 15 %, < 70 mA
  • Doba odezvy (90% IPN, di/dt = 100 A / us): ≤ 200 ms (typ. 150 ms)
  • Rychlost nárustu signálu di/dt: < 100 A / µs
  • Třída izolace: E
  • Stupeň krytí: IP 20
  • Max. teplota primárního vodiče: 100°C
  • Rozsah provozních teplot: -25°C až +60°C; vlhkost 0...95%
  • Rozsah skladovacích teplot: -40°C až +90°C

Parametry výrobku:

Typ proudového transformátoru CCT 41.4 RMS
Primární proud trafa 200 A
Výstup trafa 4..20mA
Pomocné napájení trafa 24Vdc
Třída přesnosti trafa 1 %
Kruhový otvor průvlečného trafa 31,5 mm
Jedna pásovina 40x10 mm
Označení výrobce 1203-10006
Ke stažení: Trafa_CCT31.3_CCT41.4_katalog.pdf
Cena: 9017 Kč (bez DPH)
Cena: 10911 Kč včetně DPH 21 %
Do košíku

Volitelné příslušenství

Id: 15989,